Technical Parameter
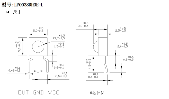
Dimensions: 4.0*4.5*2.3MM (length * width and height)
Working voltage: 2.7-5.5V
Working Frequency:36/38Khz
Receiving distance: 10-15M
Pin spacing: 2.54MM
Foot length 4.2MM
Product Description
Ultra-small design SMD package, can be reflow soldered, easy to operate.
Built-in CMOSIC, strong product compatibility, widely used in infrared remote control receiving toys, MP4, digital cameras, etc.



Contact: Kiven Lin
Phone: +86 13823353468
Tel: 0755-29700569
Email: lfnirm@126.com
Add: Room 706, No. 11 Jiangshi Road, Fenghuang Street, Guangming District, Shenzhen City, Guangdong Province, China